SpaceB Faucon X1
Les motorisations G-117-KNSB et G-217-KNSB

Voici donc le premier modèle de fusée que j'ai décidé de réaliser.La challenge est de pouvoir réaliser celle ci entièrement en 3D et ensuite de l'imprimer en ABS et en Carbone .
Je vais baser ce modèle , la FauconX1 sur la Falcon 9 de SpaceX en y ajoutant quelques variantes personnelles.
Aprés de longues lectures sur les principes de motorisation des moteurs de fusée à base de KNO3 , j'ai découvert l'excellent site de Richard NAKKA.
http://www.nakka-rocketry.net/
Sur la base du travail qu'il présente j'ai choisi un modèle de moteur de classe G qui correspond aux spécifications nécéssaires à mon premier modèle .
Le moteur A-100M qui doit être capable de propulser une masse de 1,4 Kg a 300m.
J'ai donc décider de réaliser ce moteur sous deux versions , le G-117-KNSB et le G-217-KNSB .
Le G-117-KNSB utilisera 1 grain de combustible à base de KNO3 + Sorbitol.
Le G-217-KNSB utilisera 2 grains de combustible , 1 à base de KNO3 + Sorbitol. , le deuxième a base de KNO3 + Sorbitol + Sodium lauryl sulfate.
J'expliquerai en détails dans une autre section le choix de ces composants.
Quelques lectures ici :
http://www.gea-rocket.org/fr/moteurs/principe/principes.html
http://www.astromodelisme.com/les-moteurs-a-propergol-solide/
https://fr.wikipedia.org/wiki/Propulsion_%C3%A0_propergol_solide
J'ai donc réalisé la modelisation 3D et les plans 2D avec le logiciel Solidworks pour pouvoir mettre au point un prototype en impression 3D qui me servirait de support pour visualiser au mieux l'intégration de celui ci dans le corps de la fusée FauconX1.
Voici les images du prototype que j'ai réalisé en ABS
![]() |
![]() |
![]() |
![]() |
![]() |
![]() |
![]() |
Les enveloppes des 2 moteurs sont en aluminium de 30 mm de diamètre et de 3mm d'épaisseur ,
Le G-117-KNSB mesure 20 cm , la longueur des 3 grains sera de 17 cm ( 5+5+7) , le G-217-KNSB mesure 30 cm , la longueur totale des 5 grains sera de 27 cm ( 5+5+2+5+5)
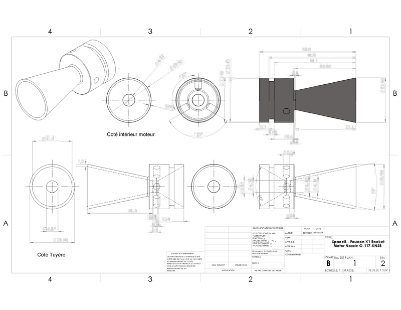
La Tuyère
Voici donc le plan 2D et les vues 3D de la tuyère.
Celle ci sera réalisée en Titane .
Voici les premières images de la tuyère réalisée en Titane sur un tour numérique
![]() |
![]() |
![]() |
|
Voici enfin le bouchon arrière réalisé en aluminium
Les bagues de fixation du moteur sur le corps de la fusée
L'ensemble des pièces composants le moteur final
Voici les différents tests et essais de ce moteur :
Novembre 2017 - 1 er essais en static de la version G-117









